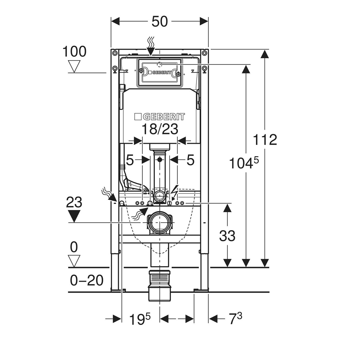
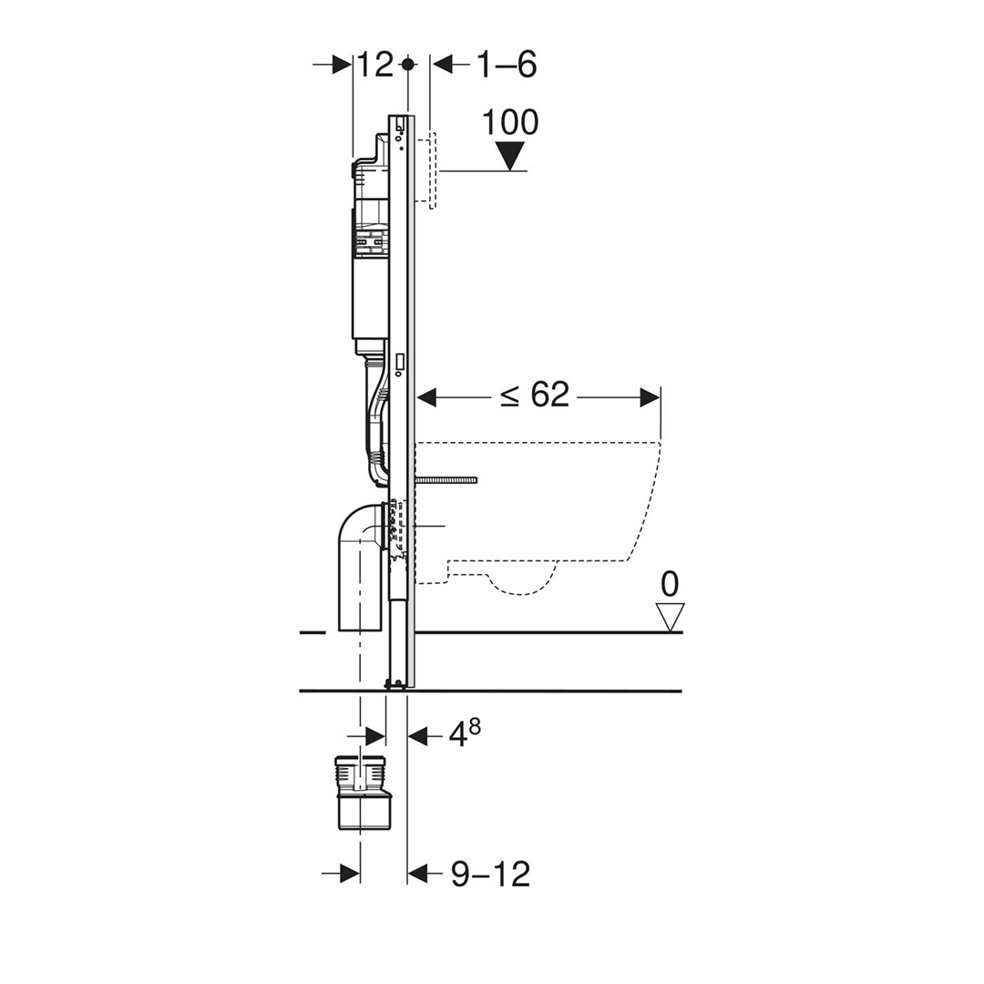
Oppgrader baderommet med et pålitelig og fleksibelt installasjonselement – Geberit Duofix-element for vegghengt toalett (112 cm) med Delta innbyggingssisterne 12 cm og PEX-kopling øverst. Perfekt for moderne baderom hvor vegghengt toalett gir et luftigere uttrykk og enklere renhold.
Hovedfordeler
- Robust stålramme, korrosjonsbeskyttet med pulverlakkering, som gir stabil og langvarig montering
- Høydejusterbar installasjon (112 cm) som gir fleksibilitet ved tilpasning av baderomsløsning
- Integrert Delta innbyggingssisterne med kun 12 cm dybde – ideelt for skråstilte vegger, renovering og smale rom
- PEX-kopling montert øverst gjør tilkobling enklere og gir effektiv installasjon
- Fabrikkinnstilt skyllemengde 4 l/2 l (store/lille) med mulighet for justering til 4/4,5/6 eller 7,5 l – gir miljøvennlig og vannbesparende drift
- Høy ytelse ved sertifiseringer: Kan bidra til topp score i BREEAM, DGNB og Nordic Ecolabel ved toalett-skyling
Les mer på hjemmesiden











